聯系我們
咨詢熱線:
13176718765
座機:0536-3729555
郵箱:wfthzg@126.com
地址:山東省臨朐縣東城街道南二環3222號GZ敞口式電磁振動給料機
產品概述
GZ敞口式電磁振動給料機把塊狀、顆粒狀及粉狀物料從貯料倉庫或漏斗中均勻連續或定 量的給到受料裝置中,可無級調節給料量,并實現生產流程的集中控制和自動控制。其體積小、重量輕、安裝方便、無轉動部件、 不需潤滑、維修方便、工作效率高、消耗電能少。廣泛應用于礦山、冶金、煤炭、輕工、化工、電力、機械、食品等行業。
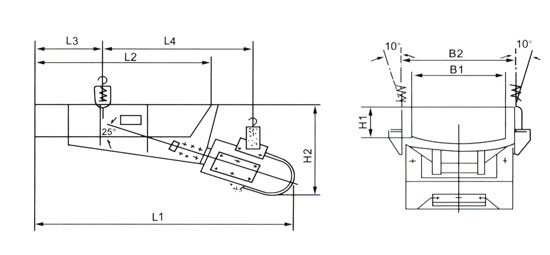
GZ電磁振動給料機(敞口式)外形尺寸:
技術參數
| 類型 | 型號 | 生產率≤T/h | 給料粒度≤mm | 雙振幅mm | 供電電壓~V | 電流A | 功率kw | 配套控制和型號 | 重量kg | 外形尺寸mm | |||||||||
| 工作電流 | 表示電流 | ||||||||||||||||||
| 水平0° | -10° | L1 | L2 | L3 | L4 | H1 | H2 | B1 | B2 | ||||||||||
| 敞口型 | GZ0 | 5 | 7 | 50 | 1.75 | 220 | 1.34 | 1 | 0.06 | XK35 | 75 | 910 | 600 | 200 | 550 | 100 | 360 | 200 | 230 |
| GZ1 | 10 | 14 | 50 | 3.0 | 2.3 | 0.15 | 146 | 1175 | 800 | 310 | 660 | 120 | 450 | 300 | 388 | ||||
| GZ2 | 25 | 35 | 75 | 4.58 | 3.8 | 0.25 | 217 | 1325 | 900 | 311 | 790 | 150 | 520 | 400 | 496 | ||||
| GZ3 | 35 | 50 | 85 | 6.8 | 5.5 | 0.35 | 300 | 1460 | 1000 | 350 | 870 | 175 | 580 | 450 | 550 | ||||
| GZ4 | 50 | 70 | 100 | 8.4 | 7 | 0.45 | 412 | 1615 | 1100 | 413 | 960 | 200 | 645 | 500 | 620 | ||||
| GZ5 | 100 | 140 | 150 | 12.7 | 10.6 | 0.85 | 656 | 1815 | 1200 | 465 | 1050 | 250 | 765 | 700 | 850 | ||||


